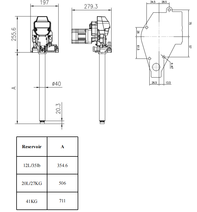
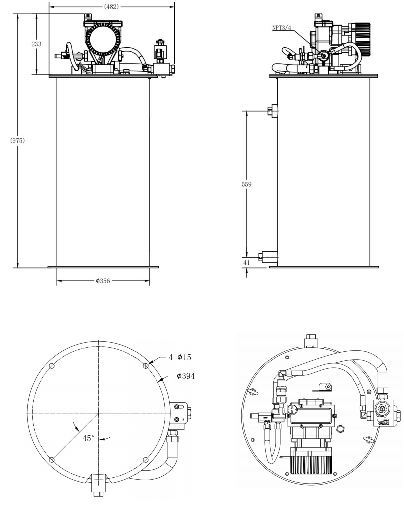
C-FLOW pompa di lubrificazione a linea singola
La pompa di lubrificazione elettrica compatta C-FLOW è una pompa a stantuffo caratterizzato da un corpo della pompa robusto e durevole, ad alta cilindrata e di piccole dimensioni per una facile installazione. Il motore è un motore brushless con basso rumore, basso costo di manutenzione e maggiore durata.
CN
EN
ru
fr
de
es
pt
ar
hi
id
tr
it
pl
nl

