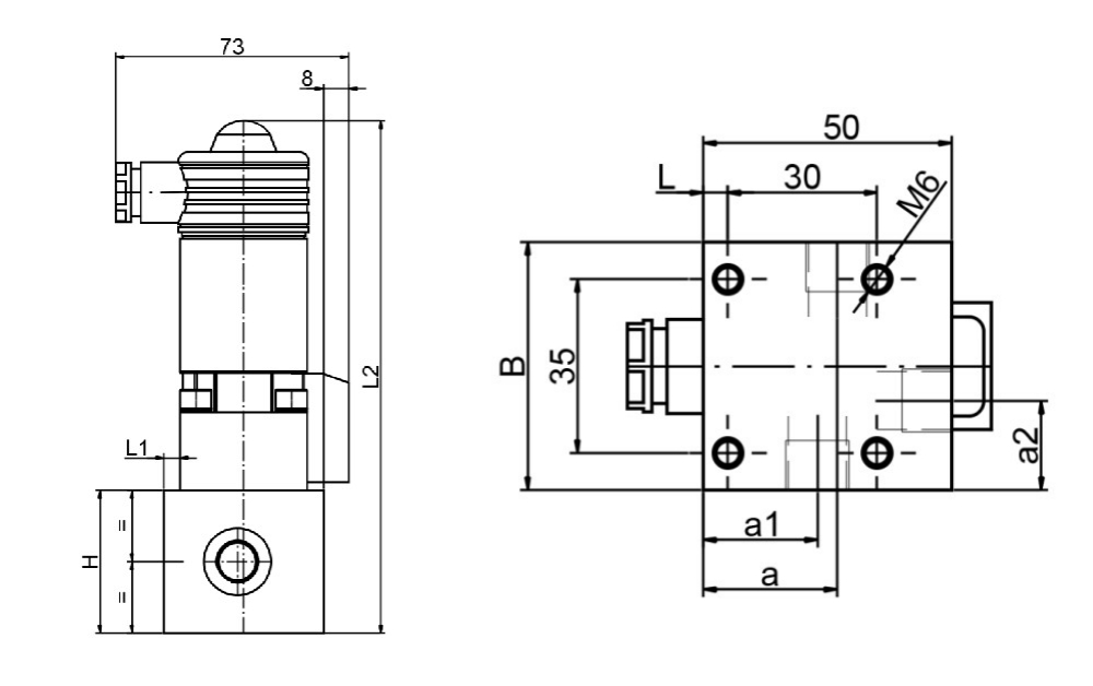
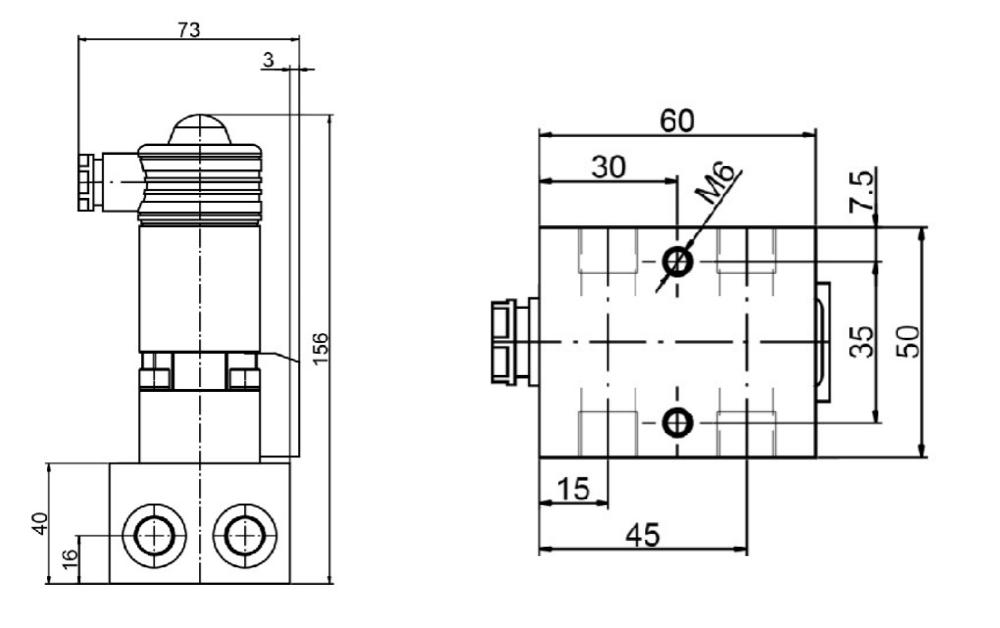
Elettrovalvola formato
La valvola a controllo elettrico del formato è utilizzata come elemento di controllo che serve per separare e collegare le parti autoportanti di circuiti lubrificanti e idraulici ramificati che funzionano con grasso di olio e plastica. Nelle valvole convenzionali il grasso ha una tendenza per attaccare qui e creare un blocco. La costruzione di valvole in formato float precende e previene questo problema.
L'elettrovalvola a solenoide del formato è adatta a tutti i tipi di sistemi di lubrificazione centrale, che consente di aumentare la variabilità delle modalità funzionali di circuiti di controllo più difficili con separazione e connessione a controllo esterno di rami che richiedono diverse velocità di lubrificazione.
CN
EN
ru
fr
de
es
pt
ar
hi
id
tr
it
pl
nl


