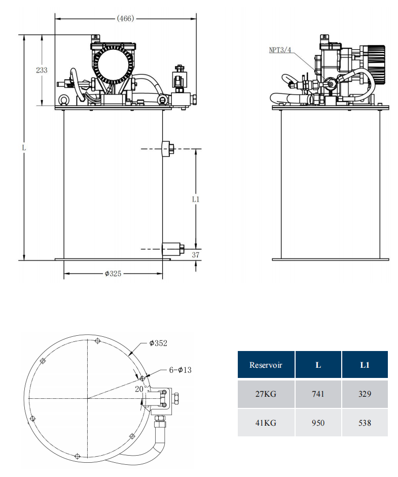
Pompa elettrica LUBESTAR
Compatto e versatile, ha una trasmissione rotante unica e una configurazione dell'ingranaggio modulare, consente di regolare la velocità di uscita della pompa
Motore per adattarsi alle tue diverse applicazioni.
Le pompe Lubestar possono essere collegate a 24 V cc e il movimento generato dalla rotazione del motore viene convertito in movimento alternativo della pompa, fornendo un flusso di lubrificante efficiente. L'uso di motori brushless efficienti, uscita ad alta coppia, basso rumore, può garantire l'uscita stabile della pompa del lubrificante ad alta pressione.
Lo spostamento più elevato è particolarmente adatto per sistemi di lubrificazione a linea singola o sistemi di lubrificazione a doppia linea. La pompa è molto compatta e può essere installata quasi ovunque.
CN
EN
ru
fr
de
es
pt
ar
hi
id
tr
it
pl
nl


