Pompa idraulica LUBESTAR
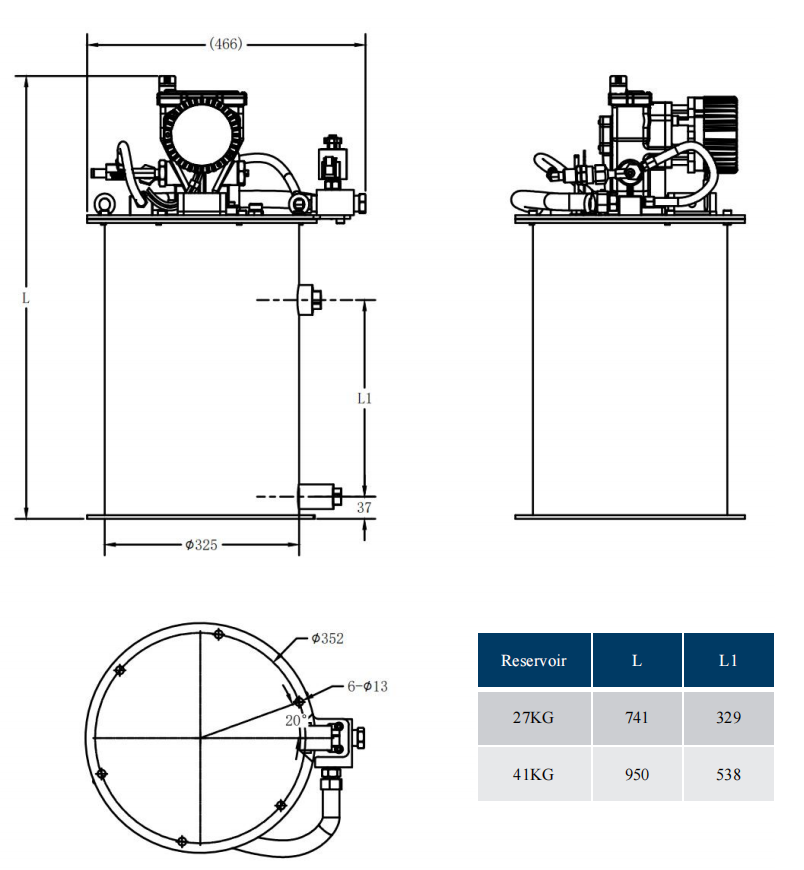
La pompa idraulica Lubestar ad alte prestazioni combina un motore della pompa ad azionamento rotante e linee della pompa alternative con funzioni di controllo flessibili per funzionare in desti caldi e temperature artiche fredde. L'unità di controllo integrata regola la quantità di lubrificante e la pressione di esercizio. L'uscita della pompa può essere regolata da 115 a 737 cm/min.
CN
EN
ru
fr
de
es
pt
ar
hi
id
tr
it
pl
nl


